Ein blinkendes Andreaskreuz
Licht und Animationen sind immer ein gern gesehener Hingucker einer Modellbahn, letztlich sind es die
Details, die einen interessanten Eindruck erzeugen. Ein Bahnübergang mit beweglichen Schranken
gehört ganz sicher dazu.
Aus technischer Sicht geht es eine Nummer kleiner mit einem Andreaskreuz und blinkenden
Warnlichtern. Mit wenigen elektronischen Bauteilen läßt sich eine solche Schaltung aufbauen.
Jeder, der mit einem Lötkolben umgehen kann und schon mal einen Widerstand, einen Kondensator
und einen Transistor gesehen hat kann auch ein blinkendes Andreaskreuz realisieren. Die Kosten
betragen weniger als 2,- €.
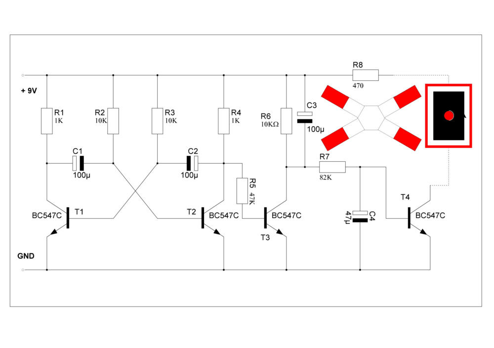
Die Schaltung ist für 9 V Gleichstrom ausgelegt. Die Abbildungen rechts zeigen den Schaltplan und
das Layout mit Vorder/Bestückungsseite und Rück/Lötseite für eine gewöhnliche
Streifenrasterplatine. Darunter die Variante mit integriertem Gleichrichter und 9 V Netzteil, d.h., die
Schaltung kann sowohl an Wechselstrom als auch mit einer höheren Eingangsspannung betrieben
werden. Die folgende Stückliste und Bauanleitung beschreibt die Schaltung ohne Netzteil/Gleichrichter.
Stückliste
C1
= 100µ
T1
= BC547C
R1
= 1K
R5
= 47K
C2
= 100µ
T2
= BC547C
R2
= 10K
R6
= 10KW
C3
= 100µ
T3
= BC547C
R3
= 10K
R7
= 82K
C4
= 47µ
T4
= BC547C
R4
= 1K
R8
= 470
Bis zu 4 rote LEDs und 4 zweipolige Stiftleisten, 1 Streifenrasterplatine, eine zweipolige Klemme, ein
paar Drahtbrücken mit Isolierung (normales Eisenbahnkabel geht auch),
4 Distanzhülsen 5 mm und 4 Holzschrauben 2x12 mm zur Befestigung vervollständigen die
Bedarfsliste.
Stückliste Version mit Netzteil/Gleichrichter (zusätzlich)
5 Dioden 1N4001
1 Kondensator 470µ
1 Spannungsregler 7809
1 Elko 470µ
1 Kondensator 100µ
PDF Bestückungsplan 1:1 zum Ausdrucken ohne Netzteil/Gleichrichter.
PDF Bestückungsplan 1:1 zum Ausdrucken mit Netzteil/Gleichrichter.
Hinweis: Die rechts abgebildeten Zeichnungen sind für den Druck in den benötigten Proportionen nicht
geeignet!
Beim Ausdruck ist darauf zu achten, dass der Drucker die wahre Größe ausgibt, andernfalls werden die
Löcher für die Bauteile (Raster 2,54 mm) nicht mit denen der Platine fluchten. Normales Papier reicht
aus, besser geeignet ist Fotopapier.
Bedeutung der Druckfarben
Schwarz:
Bauteile
Blau:
Drahtbrücken (z.B. isolierter Klingeldraht, Kurzschlußgefahr!)
Grün:
Leiterbahnen (nur zur Orientierung)
Rot:
WICHTIG: Die Leiterbahnen müssen an diesen Stellen
unterbrochen werden, z.B. mit Hilfe eines kleinen Fräsers
Die gedruckte Rückseite (grün/rot) wird nur zur Lokalisierung der zu unterbrechenden Kupferbahnen
benötigt.
Bauanleitung
Hinweis: Die Fotos zeigen die Variante mit integriertem Netzteil und Gleichrichter, die Vorgehensweise
ist gleich.
Platine vorbereiten
•
PDF 1:1 ausdrucken und mit einem Cuttermesser entlang des Rahmens den Druck heraustrennen
•
die 4 Befestigungsringe (außen) der Rückseite (grün/rot) mit einem Stichel durchstoßen
•
die Rückseite mit Draht möglichst passgenau auf der Kupferseite der Platine befestigen
•
das benötigte Stück Platine aussägen
•
die Kupferschicht der Leiterbahnen (nicht die ganze Platine!) an den rot markierten Stellen
durchtrennen, die gedruckte Rückseite wird nicht mehr gebraucht
•
die Vorderseite (schwarz/blau) wie zuvor die Rückseite passgenau auf die andere, nicht mit Kupfer
beschichtete Seite der Platine kleben, als Kleber genügt ein Pritt-Stift
•
die Platine auf ein Stück weiches Restholz legen und sämtliche Ringe mit dem Stichel durchstoßen
Platine bestücken
Die Reihenfolge der zu verarbeitenden Bauteile sollte aus praktischen Gründen von niedrig nach hoch
organisiert werden.
Transistoren, Elkos und LEDs müssen richtig gepolt verarbeitet werden, also den Aufdruck beachten!
•
Transistoren in der verwendeten Bauform sind auf einer Seite abgeflacht
•
Elkos haben unterschiedlich lange Drähte und die Minus-Seite (kurzer Draht) ist deutlich
gekennzeichnet
•
LEDs haben auch unterschiedlich lange Anschlussdrähte, der längere markiert die
Anode/Plus-Seite
•
den Widerständen ist die Einbaurichtung egal, aber die Werte müssen beachtet werden, z.B.
unterscheidet sich ein 470 Ohm Widerstand von einem 470 KiloOhm Exemplar nur durch einen
einzigen andersfarbigen Ring, im Zweifel durchmessen
•
zuerst die Drahtbrücken einbringen, verlöten und mit einem Seitenschneider abknipsen
•
die Widerstände passend biegen (die gelbe Lehre in Abb. 4 ist ein praktischer Helfer) und verlöten,
Drahtenden kürzen
•
Transistoren, die Klemme und die Stiftleisten verarbeiten
•
Elkos einlöten
Funktionsprobe
•
alle Lötstellen überprüfen, es darf kein Lötzinn die benachbarte Leiterbahn berühren
•
ggf. mit einem Multimeter auf Kurzschlüsse überprüfen
•
polungsrelevante Bauteile auf korrekte Einbaulage überprüfen
Wenn die Überprüfung keine Fehler aufdeckt
•
eine rote LED polungsrichtig (der lange Draht ist die Anode/Plus) einstecken
•
Version ohne Netzteil: 9 V (Gleichstrom) an die Klemme geben (z.B. 9 V Blockbatterie,
9 V Steckernetzteil), Plus und Minus beachten
•
Version mit Netzteil/Gleichrichter: mindestens 12 V Gleich- oder Wechselstrom an die Klemme
geben (z.B. Modellbahntrafo), Polung beliebig
•
bei korrekter Funktion 3 weitere rote LEDs einstecken
•
Spaß haben
Andreaskreuz vom Zug geschaltet
Der Lokführer oder Fahrdienstleiter ist auch für das Ein- und Ausschalten der Warnlichter des
Andreaskreuzes zuständig, denn es muss von Hand mit einem Schalter bedient werden. Es eignet sich
sowohl für fest installierte als auch modulare Anlagen.
Mit weiteren elektronischen Bausteinen kann ein Zug mit Hilfe von Reflexlichtschranken die Blinklichter
vollautomatisch selbst steuern.
Eine solche Schaltung wird von RS Modellbahn-Elektrik angeboten.
Sie besteht aus
•
zwei Reflexsensoren (erhältlich in zwei Größen)
•
zwei Bausteinen, die das Signal auswerten
•
einer Steuereinheit, die zeiteinstellbar an deren Ausgang Strom für z.B. die oben beschriebene
Schaltung bereitstellt.
Die Steuereinheit ist auch für andere Zwecke konzipiert, z. B. könnte ein Kirmeskarussel angesteuert
werden, das sich dreht, anhält, dreht, anhält usw..
Die Reflexsensoren sind unempfinlich gegen Streulicht und es gibt sie auch in einer zwischen die
Schwellen passenden Größe, am Gleis muss nichts verändert werden. Sie können im Gleis oder auch
daneben in einem Heuballen, Häuschen, Baum, Hecke, Fahrzeug o. ä. versteckt werden.
Es sei nicht verschwiegen, dass die Zugerkennung zwar einwandfrei funktioniert, den Einsatz in
Modulanlagen prinzipbedingt nur bedingt zuläßt.
Der Zug braucht zum Schalten einen gewissen räumlichen Vorlauf und die Distanzen gehen deutlich
über die Modulgrenzen hinaus, d.h., die Kabelverbindung zu den das Reflexsignal auswertenden
Bausteinen muss zwingend trennbar ausgeführt werden.
Letzte Bearbeitung: 17. September 2025 © MEC Bergheim (Erft) e. V.